top of page


Projetos e montagens de painéis elétricos
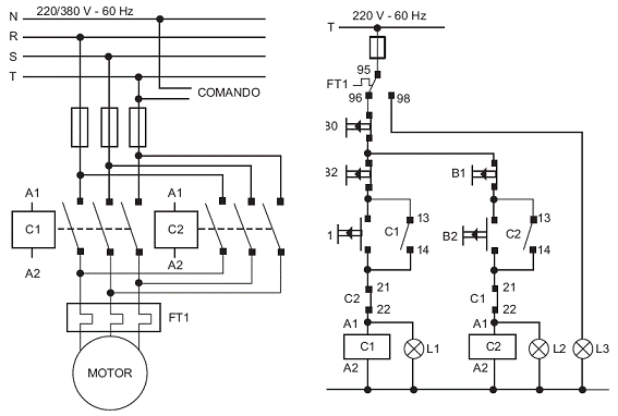
A GP Automação oferece uma solução completa na elaboração de projetos, montagens e instalações de painéis elétricos de baixa e média tensão atendendo as todas as normas técnicas vigentes, utilizando somente componentes de excelência garantindo assim um produto de qualidade aos seus clientes finais.
bottom of page




